产品展示
Products
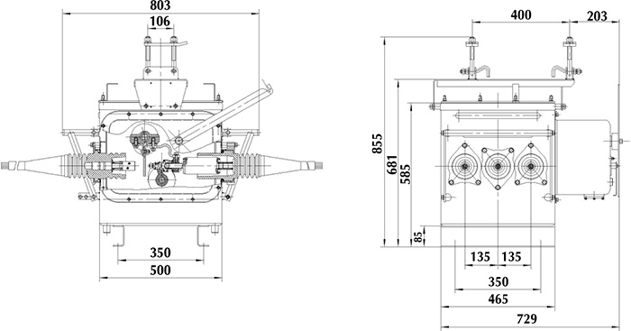
FZW28-12型户外高压交流真空负荷开关
1、产品概述
FZW28-12型户外高压交流真空负荷开关是额定频率50Hz、额定电压12kV的户外配电开关设备。主要用于开断电力系统中的负荷、过载电流及关合负荷、过载及短路电流。适用于架空线路及工矿企业配电系统中作保护和控制之用,也适用于农村电网及频繁操作的场所,特别适合于城网、农网改造时使用。
2、产品特点
◇ 真空灭弧,SF6外绝缘,内置隔离刀与灭弧室异步联动,开关分合能力强,安全性好。
◇ 改进型的电磁机构,可以进行电动、手动合分。
◇ 所有部件全密封,耐候性强,抗凝露性能好。
◇ 全航空插头电气连接,安装投运快捷、方便、正确、可靠。
◇ 具有自动化配电接口,可配装各种变比的电流互感器,用于测量和保护以及计量,及配备远动辅助接点。
◇ 可检测毫安级的线路零序电流及25倍额定值的相间短路电流,测控准确、动作灵敏。
◇具有线路故障记录,可反映故障发生时间、故障性质(过流或短路故障)、故障时刻的电流值及整定值,主动上送故障信息。
3、使用条件
安装场所 户外柱上安装
周围空气温度 -40~+50℃
相对湿度 日平均值不大于95%,月平均值不大于90%
海拔高度 不超过2000m
风速 不超过34m/s(相当于风压不超过700Pa)
太阳辐射强度 不超过1000w/m2
防污等级 Ⅳ级
机箱防护等级 IP65(可达IP67)
覆冰厚度 不超过10mm
地震烈度 不超过8级
安装场所应为无易燃、易爆、化学腐蚀及经常性剧烈振动的场所;
中性点接地方式:中性点不接地、中性点经消弧线圈接地、中性点经小电阻接地。
注:当开关使用条件超出以上规定,由用户与制造厂家协商确定。
5、技术参数
5.1 断路器的基本技术参数见表1~表2。
|
序号 |
项目名称 |
单位 |
参数值 |
|
|
1 |
额定电压 |
kV |
12 |
|
|
2 |
额定频率 |
Hz |
50 |
|
|
3 |
额定电流 |
A |
630 |
|
|
4 |
额定短时工频耐受电压(1min,有效值) |
极间、对地 |
kV |
42 |
|
断口 |
48 |
|||
|
5 |
额定雷电冲击耐受电压(峰值) |
极间、对地 |
kV |
75 |
|
断口 |
85 |
|||
|
6 |
额定短路开断电流 |
|
20 |
|
|
7 |
额定短时耐受电流 |
kA |
20 |
|
|
8 |
额定短路持续时间 |
s |
4 |
|
|
9 |
额定峰值耐受电流 |
kA |
50 |
|
|
10 |
额定短路关合电流(峰值) |
kA |
50 |
|
|
11 |
机械寿命 |
次 |
10000 |
|
|
12 |
主回路电阻(200mm2电缆出线型) |
μΩ |
≤520 |
|
|
13 |
六氟化硫气体额定压力(20℃时表压) |
MPa |
0.01 |
|
|
14 |
六氟化硫气体年漏气率 |
%/年 |
<0.1 |
|
|
15 |
开关重量 |
kg |
185 |
|
|
序号 |
项目名称 |
单位 |
参数值 |
次数 |
|
1 |
额定有功负载开断电流 |
A |
630 |
30 |
|
2 |
5%额定有功负载开断电流 |
A |
31.5 |
20 |
|
3 |
额定配电线路闭环开断电流 |
A |
630 |
20 |
|
4 |
额定电缆充电开断电流 |
A |
10 |
10 |
|
2~4 |
10 |
|||
|
5 |
额定线路充电开断电流 |
A |
1 |
10 |
|
6 |
额定短路关合电流 |
kA |
50 |
3次 |
|
7 |
额定接地故障开断电流 |
A |
31.5 |
10 |
|
8 |
接地故障条件下额定电缆和线路充电开断电流 |
A |
17.3 |
10 |
5.2 断路器的主要机械特性参数见表3
|
序号 |
项目名称 |
单位 |
参数 |
|
1 |
触头开距 |
mm |
8~9 |
|
2 |
超行程 |
mm |
2~4 |
|
3 |
隔离断口开距 |
mm |
≥20 |
|
4 |
隔离断口超行程 |
mm |
6~13 |
|
5 |
极间中心距 |
mm |
135±2 |
|
6 |
合闸时间 |
ms |
≤300 |
|
7 |
分闸时间 |
ms |
≤180 |
|
8 |
分闸不同期 |
ms |
≤3 |
|
9 |
合闸不同期 |
ms |
≤3 |
|
10 |
触头合闸弹跳时间 |
ms |
≤10 |
|
11 |
每极额定触头接触压力 |
N |
800±100 |
5、负荷开关外形及尺寸
